- 壓力變送器系列
- 通用型壓力變送器
- 工業型壓力變送器
- 衛生型壓力變送器
- 數顯型壓力變送器
- 高溫型壓力變送器
- 差壓型壓力變送器
- 潛水型壓力變送器
- 經濟型壓力變送器
- 智能型壓力變送器
- 高壓型壓力變送器
- 壓縮機專用壓力變送器
- 差壓變送器系列
- 智能壓力變送器
- 智能絕對壓力變送器
- 智能差壓變送器
- 智能微差壓變送器
- 智能高靜壓差壓變送器
- 智能單法蘭液位變送器
- 智能單法蘭插入式液位變送器
- 智能遠傳差壓變送器
- 智能遠傳插入式差壓變送器
- 智能遠傳壓力變送器
SLK520法蘭平膜型壓力變送器

產品概述
SLK520法蘭平膜型壓力變送器是為滿足客戶法蘭安裝要求的一款平膜產品。該產品采用進口擴散硅壓力敏感元件,經過長期老化及穩定性篩選,產品性能穩定可靠。SLK520法蘭平膜型壓力變送器以國際標準法蘭盤為接口標準,可實現用戶現場法蘭安裝方式。因受力膜片外露直接感受壓力,便于清潔,且能滿足防潮、防水、防爆等惡劣工況要求,該系列產品廣泛應用于工業過程控制、石油、化工、冶金等含有顆粒粘稠介質。
產品特點
1、2088、3051可選
2、模擬,智能可選
3、有HART協議可選,可遠傳
4、大尺寸膜片,全焊接密封,長期可靠耐用
5、堅固密封良好的鋁合金接線盒,戶外安裝使用
6、防腐金屬膜片可選(鉭、哈C、噴四氟、316L等)
7、有液晶顯示可選
8、特別適用高溫粘稠液體
9、法蘭尺寸可按客戶要求定制,安裝靈活多樣
性能參數
適用范圍
高端設備配套,鍋爐,油田,注塑,重工,化工,蒸汽管網,供水管網
外形結構
SLK520法蘭平膜型壓力變送器是為滿足客戶法蘭安裝要求的一款平膜產品。該產品采用進口擴散硅壓力敏感元件,經過長期老化及穩定性篩選,產品性能穩定可靠。SLK520法蘭平膜型壓力變送器以國際標準法蘭盤為接口標準,可實現用戶現場法蘭安裝方式。因受力膜片外露直接感受壓力,便于清潔,且能滿足防潮、防水、防爆等惡劣工況要求,該系列產品廣泛應用于工業過程控制、石油、化工、冶金等含有顆粒粘稠介質。
產品特點
1、2088、3051可選
2、模擬,智能可選
3、有HART協議可選,可遠傳
4、大尺寸膜片,全焊接密封,長期可靠耐用
5、堅固密封良好的鋁合金接線盒,戶外安裝使用
6、防腐金屬膜片可選(鉭、哈C、噴四氟、316L等)
7、有液晶顯示可選
8、特別適用高溫粘稠液體
9、法蘭尺寸可按客戶要求定制,安裝靈活多樣
性能參數
| 量程范圍 | 0~20kPa…10MPa |
| 壓力類型 | 表壓、絕壓 |
| 供電電源 | 24V |
| 輸出信號 | 4~20mA 、4~20mA+HART協議 |
| 工作溫度 | -20℃~85℃ |
| 介質溫度 | -40℃~150℃ |
| 儲存溫度 | -40℃~125℃ |
| 零點溫漂 | ±2%FS(@-40℃~85℃) |
| 靈敏度溫漂 | ±2%FS(@-40℃~85℃) |
| 過載壓力 | 150%FS |
| 機械振動 | 20g(20~5000HZ) |
| 沖擊 | 100g(11ms) |
| 綜合精度 | 0.5級 |
| 絕 緣 | 100MΩ/250VDC |
| 響應時間 | ≤1ms(上升到90%FS) |
| 長期穩定性 | ±0.2%FS/年 |
| 防護等級 | IP65 |
| 材質 | 外殼不銹鋼;隔離膜片316L |
| 介質兼容 | 與316L不銹鋼兼容的各種介質 |
高端設備配套,鍋爐,油田,注塑,重工,化工,蒸汽管網,供水管網
外形結構
|
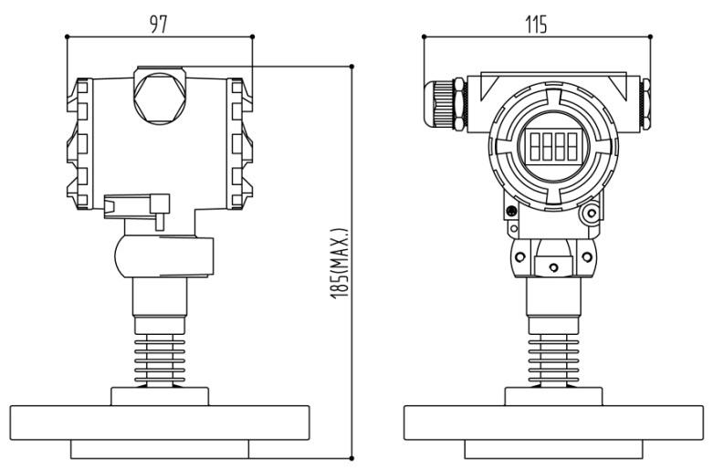
尺寸圖 單位:mm |
![]() J1:2088殼體 J2:2088殼體(帶顯示) |
|
尺寸圖 單位:mm |
![]() J8:3051殼體 J9:3051殼體(帶顯示) |
| 注 |
1、 該產品為定制產品。 2、 圖示尺寸僅供參考,殼體有3051、2088兩種;線路板有顯示、無顯示兩種;使用有模擬、智能兩種。 |
法蘭連接
| F1:DN25法蘭 | F3:DN50法蘭 | F4:DN80法蘭 |
![]() |
![]() |
![]() |
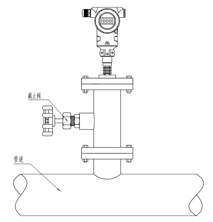
安裝示意(僅供參考)

訂購指南
| 產品名稱 | ||||||||||
| SLK520 | ||||||||||
| 量程范圍 | ||||||||||
| 根據客戶要求直接填寫 | ||||||||||
| 電源 | ||||||||||
| V1:24V DC 、V2:(12V~36V)DC | ||||||||||
| 輸出信號 | ||||||||||
| B1:4~20mA、B2: 4~20mA+HART協議 B3:其它 | ||||||||||
| 法蘭連接 | ||||||||||
| F1:DN25法蘭、F2:DN50法蘭、F3:DN80法蘭、F4:其它規格 | ||||||||||
| 附加信息 | ||||||||||
| J1:2088殼體、J2:2088殼體帶顯示、J3:3051殼體、J4:3051殼體帶顯示 | ||||||||||
| P1:0.5%FS、P2:0.25%FS | ||||||||||
| 壓力類型 | ||||||||||
| G:表壓 A:絕壓 S:密封壓 | ||||||||||
| 防爆要求 | ||||||||||
| E1:本安防爆ExiaⅡCT6 (2088、3051殼體均有防爆可選) | ||||||||||
| SLK520 | 1MPa | V1 | B1 | F1 | J1P1GE1 選型舉例:SLK520-1MPa-V1-B1-F1-J1P1GE1 | |||||
表示型號為SLK520、量程為0~1.0MPa、供電電源為24V、輸出信號為4~20mA、法蘭連接為DN25法蘭、電氣連接為2088殼體、精度為0.5%、壓力類型為表壓、本安防爆要求。
▲訂購提示
⑴ 帶顯示分為數碼管顯示和液晶顯示兩種,請在訂單中說明。
⑵ 若對產品外形和性能參數有特殊要求,本公司可提供定制。
產品信息歸西安仕樂克儀表科技有限公司版權所有
http://www.9oss.cn/view-75-1.html
相關文章推薦:壓力變送器選取壓點應符合的幾個規定 壓力變送器的正負遷移 壓力變送器微調的具體操作步驟 供熱電廠壓力變送器工作原理 壓力開關與傳感器的設計了解 擴散硅壓力變送器在水位控制系統中的應用 如何延長壓力變送器的使用壽命 壓力變送器主要作用 壓力變送器系列中的五大分類 壓力變送器主要從哪些方面檢定技術 智能壓力變送器的作用及特點 常用壓力變送器的工作原理和特點 壓力變送器使用時需要注意哪些事項 壓力變送器的正負遷移 壓力變送器在冬季如何防凍保溫【儀表防凍通用
上一篇:卡箍平膜型壓力變送器
下一篇:無腔平膜型壓力變送器







